Gear Couplings TNZ ZCAV / TNZ ZCBV | RINGFEDER®

Vertical construction

The coupling RINGFEDER® TNZ ZCAV is suitable for vertical installation. To this purpose, the TNZ ZCA is equipped with support- ing plates which hold the sleeves in their vertical position.

The coupling model RINGFEDER® TNZ ZCBV is suitable for vertical installation. To this purpose, the TNZ ZCB is equipped with supporting plates which hold the sleeves in their vertical position.

Technical Data & CAD Models

You require CAD data for this TNZ type? Of course, we are more than happy to provide you with these. Contact us quickly and easily via our request form, by e-mail or using the "Need Help?" feature at the bottom right of this site.

CAD
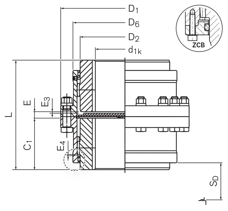
Größe/Size
Bezeichnung / Identifier
ZCA

TKN
Nm
nmax
1/min
d1kmin
mm
d1kmax
mm
D1
mm
D6
mm
L
mm
Gwsb
kg
69 XC2606 1750 6000 12 50 111 81,5 93 4,1
85 XC2608 2750 4600 18 60 152 103,5 108 8,8
107 XC2610 5500 4200 28 75 178 127,5 135 14,8
133 XC2613 8500 4000 40 95 213 156 164 25,8
152 XC2615 13500 3850 50 110 240 181 196 37,9
179 XC2617 22000 3700 60 130 280 209 225 60,2
209 XC2620 35000 3200 70 155 318 245,5 258 89,9
234 XC2623 43000 2900 85 170 346 274 293 117,9
254 XC2625 68000 2600 95 190 389 307 334 168,2
279 XC2627 82000 2300 110 210 425 334,5 386 221,8
305 XC2630 150000 2100 120 230 457 366 418 269,3
355 XC2635 195000 1800 130 270 527 423 488 421,7
CAD Größe/Size
Bezeichnung / Identifier
ZCA

TKN
ft-lbs
nmax
rpm
d1kmin
inch
d1kmax
inch
D1
inch
D6
inch
L
inch
Gwsb
lbs
  69 XC2606 1291 6000 0.472 1.969 4.370 3.209 3.661 9.0
  85 XC2608 2028 4600 0.709 2.362 5.984 4.075 4.252 19.4
  107 XC2610 4057 4200 1.102 2.953 7.008 5.020 5.315 32.6
  133 XC2613 6269 4000 1.575 3.740 8.386 6.142 6.457 56.9
  152 XC2615 9957 3850 1.969 4.331 9.449 7.126 7.717 83.6
  179 XC2617 16227 3700 2.362 5.118 11.024 8.228 8.858 132.7
  209 XC2620 25815 3200 2.756 6.102 12.520 9.665 10.157 198.2
  234 XC2623 31716 2900 3.346 6.693 13.622 10.787 11.535 259.9
  254 XC2625 50155 2600 3.740 7.480 15.315 12.087 13.150 370.8
  279 XC2627 60481 2300 4.331 8.268 16.732 13.169 15.197 489.0
  305 XC2630 110636 2100 4.724 9.055 17.992 14.409 16.457 593.7
  355 XC2635 143826 1800 5.118 10.630 20.748 16.654 19.213 929.7

Product Characteristics

General features

  • Torsionally rigid gear coupling made of high-quality steel
  • Very compact design results in a high-power density
  • Compensates for angular, radial and axial shaft offset
  • Suitable for use in temperatures up to +120 °C if special seals are used
  • Available with split sleeve (ZCA / ZCB - ZCA model range also available in ZCB design) and single-piece sleeve (ZCH)
  • The elastic O-Ring can be replaced without having to move the coupled machines
  • Bores up to 270 mm
  • Torques up to TKn = 195,000 Nm / TKmax = 390,000 Nm
  • Speeds up to nmax = 6,000 rpm

General description

The RINGFEDER® TNZ coupling is a torsionally rigid twin cardanic gear coupling.

Toothing

The coupling housings have a straight internal toothing whilst the hubs have an external toothing with a chased variable radius. As a result, the hubs can move spatially within the housing and thus compensate angular, radial and axial shaft misalignment of the adjoined shaft ends within specified tolerances. Depending on coupling type and size, the standard toothing permits an angular misalignment of up to 0.5 degrees per toothing-plane and an axial movement of several millimetres. The max. possible radial shaft displacement is dependent on the distance between the two toothing planes. Other toothing geometries can be used for further specific applications.

Material

High-grade tooth profiles and grease with ultra high-pressure additives guarantee low-restoring forces and a long serviceable life. The material used is forged steel with an apparent yielding point of at least 335 N/mm2. Special materials can be used for further specific applications. Sealing is carried out using O-rings of synthetic rubber. The housings are centred and held together by fit-bolts and self-locking nuts.

Temperature

The use of special seals permits the temperature limit to be raised to 120 °C.

Balance

At peripheral speeds upwards of 30 m/s it is advisable to dynamically balance the coupling.

Special applications

If greater misalignments are anticipated at higher speeds and torques, an examination is necessary, performed with the assistance of a special computing programme. This is independent of the determined size. The value TKmax may not be exceeded in any state of operation (start-up, electrical short circuit, blocking, etc.).

Tolerances and standards

The bore tolerance is ISO H7, if not differently ordered. The bore diameters listed refer to keyways to DIN 6885-1 with wide toleranz ISO P9.

 

Downloads

Product Paper Gear Couplings RINGFEDER® TNZ

Product Paper Gear Couplings RINGFEDER® TNZ

Tech Paper Gear Couplings RINGFEDER® TNZ ZCAV / TNZ ZCBV

Tech Paper Gear Couplings RINGFEDER® TNZ ZCAV / TNZ ZCBV

Further downloads including certificates, instruction manuals and product images are available to you in our Download Center:

Downloads