Zahnkupplungen TNZ ZCAUU / TNZ ZCBUU | RINGFEDER®

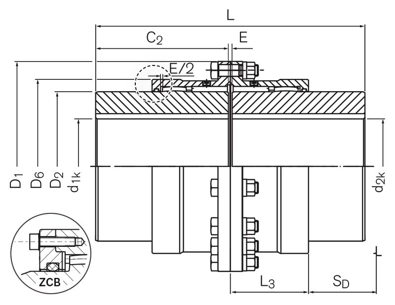
Verlängerte Universalnaben

Die RINGFEDER® TNZ ZCAUU hat im Vergleich zur TNZ ZCA zwei verlängerte Naben, deren Längen bei Bedarf an den anlagenspezifischen Vorgaben angepasst werden.

Die Bauart RINGFEDER® TNZ ZCBUU ist im Vergleich zur TNZ ZCAUU mit angeschraubtem O-Ring-Träger ausgestattet, die eine vereinfachte Montage durch Änderung der Montagefolge ermöglicht. Dazu abgeschraubten Deckel auf Welle ablegen, Nabe auf Welle montieren, Gehäuse auf Nabe schieben, O-Ring-Träger an Gehäuse befestigen, was bei großen Kupplungen sinnvoll ist. Wie die Bauart ZCAUU hat die ZCBUU zwei verlängerte Naben, deren Längen bei Bedarf an den anlagenspezifischen Vorgaben angepasst werden.

 

Technische Daten & CAD-Modelle

Der Download von CAD-Daten steht Ihnen nach Login mit Ihrem persönlichen Customer- oder Distributor-Account zur Verfügung. Sie haben noch keinen Account? Hier können Sie sich kostenlos und unverbindlich registrieren.

CAD
Größe/Size
Bezeichnung / Identifier
ZCA

TKN
Nm
nmax
1/min
d1kmin
mm
d1kmax
mm
D1
mm
D6
mm
L
mm
Gwsb
kg
69 XC2306 1750 6000 12 50 111 81,5 213 7,5
85 XC2308 2750 4600 18 60 152 103,5 233 14,0
107 XC2310 5500 4200 28 75 178 127,5 263 23,1
133 XC2313 8500 4000 40 95 213 156 305 39,8
152 XC2315 13500 3850 50 110 240 181 345 57,1
179 XC2317 22000 3700 60 130 280 209 376 86,0
209 XC2320 35000 3200 70 155 318 245,5 436 133,1
234 XC2323 43000 2900 85 170 346 274 498 179,1
254 XC2325 68000 2600 95 190 389 307 598 263,7
279 XC2327 82000 2300 110 210 425 334,5 608 318,1
305 XC2330 150000 2100 120 230 457 366 618 374,4
355 XC2335 195000 1800 130 270 527 423 630 531,4
CAD Größe/Size
Bezeichnung / Identifier
ZCA

TKN
ft-lbs
nmax
rpm
d1kmin
inch
d1kmax
inch
D1
inch
D6
inch
L
inch
Gwsb
lbs
  69 XC2306 1291 6000 0.472 1.969 4.370 3.209 8.386 16.6
  85 XC2308 2028 4600 0.709 2.362 5.984 4.075 9.173 30.9
  107 XC2310 4057 4200 1.102 2.953 7.008 5.020 10.354 50.9
  133 XC2313 6269 4000 1.575 3.740 8.386 6.142 12.008 87.7
  152 XC2315 9957 3850 1.969 4.331 9.449 7.126 13.583 125.9
  179 XC2317 16227 3700 2.362 5.118 11.024 8.228 14.803 189.6
  209 XC2320 25815 3200 2.756 6.102 12.520 9.665 17.165 293.4
  234 XC2323 31716 2900 3.346 6.693 13.622 10.787 19.606 394.8
  254 XC2325 50155 2600 3.740 7.480 15.315 12.087 23.543 581.4
  279 XC2327 60481 2300 4.331 8.268 16.732 13.169 23.937 701.3
  305 XC2330 110636 2100 4.724 9.055 17.992 14.409 24.331 825.4
  355 XC2335 143826 1800 5.118 10.630 20.748 16.654 24.803 1171.5

Produkteigenschaften

Eigenschaften allgemein

  • Drehstarre, aus hochwertigem Schmiedestahl gefertigte Zahnkupplung
  • Gleicht winkligen, radialen und axialen Wellenversatz aus
  • Mit Spezialdichtungen bis +120 °C einsetzbar
  • Lieferbar in geteiltem (ZCA / ZCB - ZCA Baureihe jeweils auch in ZCB Ausführung) und einteiligem (ZCH) Gehäuse
  • Bohrungen bis 270 mm
  • Drehmomente bis TKn = 195000 Nm / TKmax = 390000 Nm
  • Drehzahlen bis nmax = 6000 min-1

Allgemeine Beschreibung

Die RINGFEDER® TNZ ist eine drehstarre, doppelkardanische Zahnkupplung.

Verzahnung

Die Kupplungsgehäuse haben eine gerade Innenverzahnung, während die Naben eine mit veränderlichem Radius bombierte Außenverzahnung tragen. Dadurch können sich die Naben räumlich in den Gehäusen bewegen und axiale, winklige und radiale Verlagerungen der gekuppelten Wellen innerhalb festgelegter Grenzen ausgleichen. Die Serienverzahnung lässt je nach Kupplungsbauart bis zu 0,5° Winkelverlagerung pro Verzahnungsebene und mehrere Millimeter Axialbewegung zu. Der maximal mögliche radiale Wellenversatz hängt vom Abstand der beiden Verzahnungsebenen ab. Für spezielle Anwendungsfälle können andere Verzahnungsgeometrien eingesetzt werden.

Werkstoffe

Hochwertige Zahnflanken und Fett mit Höchstdruckzusätzen garantieren niedrige Rückstellkräfte und eine lange Lebensdauer. Als Werkstoff wird Schmiedestahl mit einer Streckgrenze von mindestens 335 N/mm2 verwendet. Für spezielle Anwendungsfälle können Sonderwerkstoffe eingesetzt werden. Die Abdichtung erfolgt durch O-Ringe aus synthetischem Gummi. Die Gehäuse werden durch Passschrauben und selbstsichernde Ganzstahlmuttern zentriert und zusammengehalten.

Temperatur

Bei Einsatz von Spezialdichtungen kann eine Maximaltemperatur von 120 °C zugelassen werden.

Wuchten

Bei Umfangsgeschwindigkeiten ab 30 m/s empfiehlt sich dynamisches Auswuchten.

Sonderfälle

Wenn bei zu hoher Drehzahl und hohem Drehmoment große Verlagerungen zu erwarten sind, bedarf es einer Überprüfung mit einem speziellen Rechenprogramm. Dies ist unabhängig von der Größenbestimmung. Der Wert TKmax darf in keinem Betriebszustand (Anfahren, elektrischer Kurzschluss, Blockieren, usw.) überschritten werden.

Toleranzen und Standards

Wenn nicht anders bestellt, beträgt die Bohrungstoleranz ISO H7. Die angegebenen Bohrungsdurchmesser beziehen sich auf Passfedernuten nach DIN 6885-1 mit einer Breitentoleranz ISO P9.

Downloads

Product Paper Zahnkupplungen RINGFEDER® TNZ

Product Paper Zahnkupplungen RINGFEDER® TNZ

Tech Paper Zahnkupplungen RINGFEDER® TNZ ZCAUU / TNZ ZCBUU

Tech Paper Zahnkupplungen RINGFEDER® TNZ ZCAUU / TNZ ZCBUU

Betriebsanleitung Zahnkupplungen RINGFEDER® TNZ ZCA / TNZ ZCB, TNZ ZCAU / TNZ ZCBU, TNZ ZCAUU / TNZ ZCBUU

Betriebsanleitung Zahnkupplungen RINGFEDER® TNZ ZCA / TNZ ZCB, TNZ ZCAU / TNZ ZCBU, TNZ ZCAUU / TNZ ZCBUU

Weitere Downloads einschließlich Zertifikate, Betriebsanleitungen und Produktbilder stehen Ihnen in unserem Download Center zur Verfügung:

Downloads